
Coreless burstalausir mótorar sem henta fyrir heimilistæki
Coreless burstalausu mótorar VSD nota nýjustu vélknúna framleiðslutækni, með framúrskarandi afköstum afköstum, rólegri notkun, hraðari svörun og mikilli nákvæmni stjórn. Þessi röð mótora styður marga hlutfallsspennuvalkosti 6V, 12V, 24V og 36V, með fjölbreyttum hönnun, þar með talið framleiðslulíkönum eins og innbyggðum drifum og salarskynjara, til að uppfylla ýmsar kröfur um forrit.
Lýsing
Nýr kórlaus burstalaus mótor
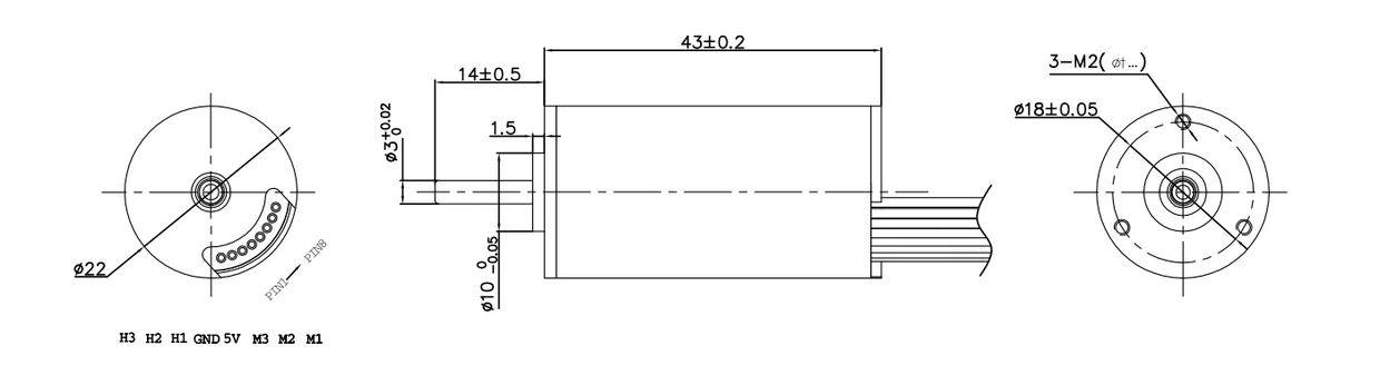
| Vörumynd | |||||||||||||||||||
| Mótor líkan | Vec -16 röð | Vec -19 röð | |||||||||||||||||
| Mótor | Tegund | EC1636 | EC1644 | EC1656 | EC1930 | EC1935 | EC1946 | ||||||||||||
| Lengd "l" Mm |
36mm | 44mm | 56mm | 30mm | 35mm | 46mm | |||||||||||||
| Spenna | Starfrækt Svið |
10~14 | 22~26 | 32~38 | 22~26 | 28~32 | 32~38 | 22~26 | 28~32 | 32~38 | 5~7 | 10~16 | 22~26 | 5~7 | 10~16 | 22~26 | 5~7 | 10~14 | 22~26 |
| Nafn V |
12 | 24 | 36 | 24 | 30 | 36 | 24 | 30 | 36 | 6 | 12 | 24 | 6 | 12 | 24 | 6 | 12 | 24 | |
| Framleiðsla | Framleiðsla mat W |
9.7 | 19 | 19 | 21.5 | 21.5 | 21.2 | 34.2 | 33.5 | 34 | 7.7 | 11.6 | 15.4 | 7 | 13.8 | 18.5 | 9.2 | 15.4 | 25.7 |
| Metið tog M.NM |
6 | 5 | 5 | 7.5 | 7.5 | 7.5 | 8.5 | 8.5 | 8.5 | 7.5 | 7.5 | 7.5 | 9 | 9 | 9 | 10 | 10 | 10 | |
| Metinn hraði RPM |
15800 | 37000 | 3700 | 28000 | 28000 | 27600 | 39200 | 38400 | 38900 | 10000 | 15000 | 20000 | 7600 | 15000 | 20000 | 9000 | 15000 | 25000 | |
| Framleiðsla blý | Merki | Hall | Hall | Hall | Innbyggður bílstjóri | Hall | Hall | Innbyggður bílstjóri | Hall | Hall | Innbyggður bílstjóri | Hall | Hall | ||||||
| Vöruhönnun |
|
|
|||||||||||||||||
| Vöruafköst | - | - | |||||||||||||||||
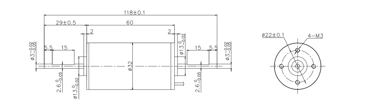
| Vörumynd | |||||||||||||||||||
| Mótor líkan | Vec -20 röð | Vec -22 röð | |||||||||||||||||
| Mótor | Tegund | EC2040 | EC2053 | EC2063 | EC2232 | EC2240 | EC2248 | ||||||||||||
| Lengd "l" Mm |
40mm | 53mm | 63mm | 32mm | 40mm | 48mm | |||||||||||||
| Spenna | Starfrækt Svið |
22~26 | 28~32 | 32~38 | 16~20 | 22~26 | 32~38 | 10~14 | 22~26 | 32~38 | 10~14 | 22~26 | 28~32 | 10~16 | 22~26 | 32~38 | 10~14 | 22~26 | 32~38 |
| Nafn V |
24 | 30 | 36 | 18 | 24 | 36 | 12 | 24 | 36 | 12 | 24 | 30 | 12 | 24 | 36 | 12 | 24 | 36 | |
| Framleiðsla | Framleiðsla mat W |
15.4 | 16.4 | 16.4 | 46.2 | 47.2 | 48.2 | 25 | 100 | 220 | 9.7 | 9.6 | 9.1 | 17.6 | 17.6 | 17.3 | 20.5 | 112 | 112 |
| Metið tog M.NM |
6.3 | 6.3 | 6.3 | 10 | 10 | 10 | 16 | 50 | 70 | 6 | 6 | 6 | 12 | 12 | 12 | 8 | 20 | 20 | |
| Metinn hraði RPM |
37500 | 36700 | 36050 | 45680 | 46380 | 46940 | 15000 | 20000 | 30000 | 15800 | 15000 | 14800 | 14300 | 14300 | 14100 | 25000 | 50000 | 50000 | |
| Framleiðsla blý | Merki | Hall | Hall | Hall | Hall | Hall | Hall | ||||||||||||
| Vöruhönnun |
|
|
|||||||||||||||||
| Vöruafköst | - | - | |||||||||||||||||
| Vörumynd | |||||||||||||||||||
| Mótor líkan | Vec -28 röð | Vec -32 röð | |||||||||||||||||
| Mótor | Tegund | EC2845 | EC2854 | EC2864 | EC3242 | EC3260 | EC3270 | ||||||||||||
| Lengd "l" Mm |
45mm | 54mm | 64mm | 42mm | 60mm | 70mm | |||||||||||||
| Spenna | Starfrækt Svið |
10~14 | 22~26 | 32~38 | 10~14 | 22~26 | 32~38 | 10~14 | 22~26 | 32~38 | 16~20 | 22~26 | 32~38 | 16~20 | 22~26 | 32~38 | 16~20 | 22~26 | 32~38 |
| Nafn V |
12 | 24 | 36 | 12 | 24 | 36 | 12 | 24 | 36 | 18 | 24 | 36 | 18 | 24 | 36 | 18 | 24 | 36 | |
| Framleiðsla | Framleiðsla mat W |
22.5 | 22.7 | 22.9 | 23.7 | 25.2 | 24.4 | 34.4 | 34.9 | 35.9 | 30.8 | 33.4 | 38.5 | 58.7 | 61.5 | 59.6 | 42.5 | 42.6 | 42.5 |
| Metið tog M.NM |
18 | 18 | 18 | 35 | 35 | 35 | 50 | 50 | 50 | 25 | 25 | 25 | 45 | 45 | 45 | 85 | 85 | 85 | |
| Metinn hraði RPM |
12200 | 12300 | 12400 | 6600 | 7000 | 6800 | 6700 | 6800 | 7000 | 12000 | 13000 | 15000 | 12700 | 13300 | 12900 | 4870 | 4880 | 4870 | |
| Framleiðsla blý | Merki | Hall | Hall | Hall | Hall | Hall | Hall | ||||||||||||
| Vöruhönnun |
|
|
|||||||||||||||||
| Vöruafköst | - | - | |||||||||||||||||
VSD Coreless burstalaus mótor
VSD hefur kynnt nýtt úrval af kóralausu burstalausum mótorum sem bjóða upp á mikla afköst og fjölhæfni. Flokkurinn nær yfir 16, 19, 20, 22, 28 og 32 seríur með þvermál, allt frá því minnsta 30mm til stærsta 70mm til að mæta fjölmörgum forritum.
Tæknilegar upplýsingar og kostir
Metaðir spennuvalkostir: 6V, 12V, 24V, 36V.
Framleiðslulíkön: Fjölbreytt hönnun þar á meðal innbyggðir ökumenn og salarskynjarar.
Mikil skilvirkni afköst: Notkun nýjustu mótorframleiðslutækni gerir þessa kóralausu burstalausu mótora skilvirkari, lágan hávaða, hratt svörun og mikla nákvæmni stjórn.
Valkostir: Allar gerðir eru fáanlegar með kóðara og plánetu gírkassa fyrir enn meiri fjölhæfni.
Beitt á fjölbreytt úrval af heimilum
VSD Coreless Brushless Motors skara fram úr í heimilistækjum og öflugur árangur þeirra er mikið notaður í eftirfarandi tækjum:
Aðdáendur: Bæta skilvirkni í rekstri og veita sléttari og rólegri upplifun.
Ryksuga: Öflug aðsog og lítil hávaðaaðgerð sameinast til að gera hreinsun skilvirkari.
Rafmagns tannbursti: Háhraði og nákvæmur afköst fyrir þægilegri burstaupplifun.
Blenders & Juicers: Slétt notkun og langvarandi kraftur til að auðveldlega takast á við fjölbreytt úrval af eldunarþörfum.
Sópandi vélmenni: Styðjið nákvæma stjórn og hratt viðbrögð, fínstilltu siglingar og hreinsunargetu.
Hvort sem það er að bæta afköst eða hámarka notendaupplifunina, þá, VSD Coreless burstalausir mótorar koma með nýja möguleika á heimilistæki.
Af hverju að velja VSDCoreless burstalaus mótors
Á sviði kórlausra burstalausra mótora hefur VSD orðið traust vörumerki í greininni vegna framúrskarandi aðlögunargetu og strangrar gæðatryggingar. Eftirfarandi eru meginástæðurnar fyrir því að velja VSD Coreless burstalausa mótora:
1. Sterk aðlögunargeta
Hátt hlutfall af sérsniðnum viðskiptavinum: Meira en 90% viðskiptavina velja sérsniðna þjónustu, styðja OEM og ODM samvinnustillingu.
Rík reynsla og fagteymi: Með meira en 10 ára reynslu í greininni, búin tugum eldri R & D verkfræðinga, sérsniðin fyrir viðskiptavini til að búa til besta mótorforritið.
Fjölhæfir valkostir aðlögunar: Hægt er að aðlaga mótor breytur og efni eftir kröfum, þar með talið spennu, framleiðsla afl, hraða, húsnæðisefni, gírgerð og verndarflokki.
Sýnishorn og hröð framleiðsla: Sérsniðin sýni eru gefin upp og sérstök sýnishornasmiðja er sett upp. Framleiðslutími fyrir burstalausa mótor er venjulega 15 til 25 dagar, allt eftir pöntunarmagni og eftirspurn.
2. STRICT Gæðatrygging
Vottun verksmiðju: Stuðningur á netinu og án nettengingar verksmiðju, fyrirtækið hefur staðist ISO 9001: 2015, IATF16949: 2016 og ISO14000 alþjóðlega vottun um gæðastjórnunarkerfi.
Háþróaður prófunargeta: Vörumælingarmiðstöð hefur verið sett upp til að framkvæma breitt úrval af prófum, þar með talið hörkumælingum, umfangsmiklum árangursmælingum, dreifingarprófum á segulsvið, lekapróf og segulstreymisgreining.
Alhliða gæðaprófun: Allir mótorar eru háðir röð strangra prófa fyrir hávaða, vatnsheld, langlífi, hrun, geymslu og saltúða.
Sjálfvirk framleiðslulína: Félagslínan samþykkir Advanced Automation Process, búin sjálfvirkri vindavél, stator vél, endahettu stator vél og lóðunarvél, sem bætir mjög framleiðslugetu og nákvæmni.
Þjónustuábyrgð eftir sölu: Veittu allt að 12 mánaða þjónustu eftir sölu, til að tryggja að viðskiptavinir hafi engar áhyggjur.
Coreless burstalausir mótorar VSD bjóða ekki aðeins upp á framúrskarandi aðlögunargetu, heldur eru þeir einnig þekktir fyrir hágæða og áreiðanleika, sem gerir þá tilvalin til notkunar á fjölmörgum sviðum, þar á meðal heimilistækjum, iðnaðarbúnaði og snjalltækjum.
Hringdu í okkur
Þér gæti einnig líkað



















